arrow_back
Kundeservice
Modellsøk
Favoritter
0
Logg inn
Handlekurv
0
Classic cars
Transmission
Clutch
Gasket
Gear Lever & Parts
Mounting
Drivetrain
Tools & Accessories
Accessories
Tools
Steering & Suspension
Steering Gear
Axle
Ball Joint & Control Arm
Wheel
Damping
Stabilizer & Torsion
Tie Rod & Ends
Wheel Bearing
Drive Shaft
Steering Wheel
Merchandise
Key Chain
Interior
Seats
Door Handle
Rear View Mirror
Door Panel
Floor Mat
Storage
Sun Visor
Window Lift & Winder
Interior Trim
Miscellaneous
Pedal
Filter
Interior Filter
Air Filter
Oil Filter
Hydraulic Filter
Fuel Filter
Exterior
Gas Spring
Handle & Lock
Running Board
Rubber Seal
Trim
Wiper
Grille
Window
Fuel Tank
Tow Bar
Mirror
Emblem & Sticker
Miscellaneous
Spoiler
Exhaust
Sports Exhaust
Mounting Parts
Standard Exhaust
Engine
Starter
Cylinder Head
Ignition & Preheat
Engine Cooling
Crankcase
Carburettor
Engine Sensor
Engine Lubrication
Engine Mount
Belt Drive
Alternator
Fuel & Engine Management
Engine Gasket
Electric
Windows Washer Reservoir
Gauge
Miscellaneous
Lamp
Cooling
Alternator
Control unit, Relay & Fuse
Switch
Electric Parts
Radio
Harness
Washer Fluid Pump
Bulb
Ignition
Cooling & Heating
Radiator
Expansion Tank
Heating
Aircondition
Miscellaneous
Cables
Miscellaneous
Speedometer Cable
Heater Cable
Accelerator Cable
Brakes
Brake Shoes & Accessories
Cables
Handbrake & Parking Brake
Accessory Kits
Splash Panel
Brake Caliber
Brake Lines & Hoses
Brake Disc
Brake Booster
Brake Cylinders & Pressure Regulation
Brake Drum
Vacuum Pump
Brake Pads & Accessories
Body
Body Parts
Bumper
Door
Bonnet
Body Panel
Porsche
Vis alle: Porsche
PORSCHE/BIL DELER
3 - Transmisjon
3 - Clutsh/gir/Transmisjon
3 - Transmisjon
Backdate deler 911
Deler til 356
1 - Motor
5 - Hjuloppheng bak
2 - Bensin og eksos system
3 - Transmisjon
6 - Hjul, bremser
7 - Hendler, pedaler
10 -Intriør/innvendig ting
0 - Diverse
9 - Elektrisk utstyr
4 - Hjuloppheng foran, styring
Deler til 911
911 t.o.m. 1973
911 G MOD.74-83 SC/TURBO 2,7-3,3
911 Carrera (84-89) G-MOD 3,2 L.
964 (89-94) OG TURBO
991 c2/c4 Turbo
996 c2/c4s/Turbo/GT1-2-3
997 c2/c4/Turbo/gt2/3
993 C2/C4/C4S, OG TURBO
Deler til 912
7 - Hendler, pedaler
6 - Hjul, bremser
5 - Hjuloppheng bak
3 - Transmisjon
0 - Diverse
8 - Karosseri
10 - Interiør
4 - Hjuloppheng foran, styring
9 - Elektrisk utstyr
1 - Motor
Deler til 914
3 - Transmisjon
9 - Elektrisk utstyr
5 - Hjuloppheng bak
7 - Hendler, pedaler
1 - Motor
6 - Bremser/HJUL
0 - Diverse
8 - Karosseri
4 - Hjuloppheng foran, styring
Deler til 924
8 - Karosseri
3 - Transmisjon/gir/clutsch
1 - Motor
4 - Hjuloppheng foran, styring
2 - Eksos system & Bensin
5 - Hjuloppheng bak
9 - Elektrisk utstyr
6 - Bremser & Hjul
7 - Hendler, pedaler
Deler til 928
2 - Bensin og eksos system
8 - Karosseri
1 - Motor
4 - Hjuloppheng foran, styring
9 - Elektrisk utstyr
6 - Hjul, bremser
3 - Transmisjon
0 - Diverse
5 - Hjuloppheng bak
Deler til 944/968
8 - Karosseri
1 - Motor / Kjøling/AC
3 - Transmisjon/Gir/Clutsh
4 - Hjuloppheng foran,styring,St
5 - Hjuloppheng bak
0 - Diverse
9 - Elektrisk utstyr
2 - Bensin og eksos system
7 - Hendler, pedaler
6 - Hjul, bremser
Deler til Boxster 986/987
5 - Hjuloppheng bak
6 - Hjul, bremser
4 - Hjuloppheng foran, styring
9 - Eletrisk utstyr
8 - Karosseri
2 - Bensin og eksos system
7 - Hendler, pedaler
3 - Transmisjon,clutsh
1 - Motor
Deler til Cayenne
6 - Hjul, bremser
1 - Motor
3 - Gir,Transmisjon
Deler til Cayman
1 - Motor
2 - Bensin og eksos system
4 - Hjuloppheng foran, styring
6 - Hjul, bremser
3 - Transmisjon
9 - Eletrisk utstyr
7 - Hendler, pedaler
Brukte deler
Andre varer
Vis alle: Andre varer
Olje Smøremidler Kjemi
Div utstyr ,verktøy ,kjemi,ratt
Ratt , boss, hornknapp QR
Loctite
Stereo med Dab
SSI eksos til 911 fra 65-1997 mo
Div.Tuning/deler/RS
Blogg
Webshop
Porsche
Porsche
PORSCHE/BIL DELER
3 - Transmisjon
3 - Clutsh/gir/Transmisjon
3 - Transmisjon
Backdate deler 911
Deler til 356
Deler til 911
Deler til 912
Deler til 914
Deler til 924
Deler til 928
Deler til 944/968
Deler til Boxster 986/987
Deler til Cayenne
Deler til Cayman
Ingen treff
Ny modell
add
Modell
Filter
Tøm filter
Ingen treff
Sortering:
Relevans
Relevans
Pris høy til lav
Pris lav til høy
Navn
Nyheter
Mest solgt
Viser
24
av
8187
produkter
«
Previous
Side
305
av
342
»
Next
Varefilter
Sortering:
Relevans
Relevans
Pris høy til lav
Pris lav til høy
Navn
Nyheter
Mest solgt
Viser
24
av
8187
produkter
«
Previous
Side
305
av
342
»
Next
Ikke på lager (bestillingsvare)
91156440901
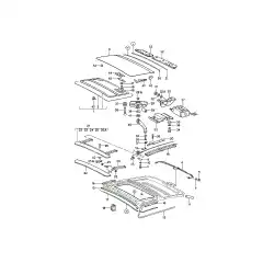
911 SUNROOF GASKET
75,-
60,-
eks.mva
Kjøp
Klikk og hent
Bestillingsvare: leveringstid ca 8 virkedager.
91156440900
PAKNING FREMKANT SOLTAK nr 15 på bilde
85,-
68,-
eks.mva
Kjøp
Klikk og hent
på lager (1 stk)
91156429700
RØR GUMMI TIL SOLTAK DRENERING 911
188,-
150,-
eks.mva
Kjøp
Klikk og hent
på lager (3 stk)
91156412700
SOLTAK SKINNE LØFTER klips soltak sort FARGE løft av spoiler mekanisme
155,-
124,-
eks.mva
Kjøp
Klikk og hent
Ikke på lager (bestillingsvare)
91156404500
GLIDESKINNE SOLTAK 65-89 MODELL 912/911 metall m.Teflon
739,-
591,-
eks.mva
Kjøp
Klikk og hent
på lager (5+)
91156164365
KLIPS, CAB (911 84- 964 993)
25,-
20,-
eks.mva
Kjøp
Klikk og hent
Bestillingsvare: leveringstid ca 8 virkedager.
9115614990170B
LIST FRONTRUTE 911 CAB 84-98
1.275,-
1.020,-
eks.mva
Kjøp
Klikk og hent
Bestillingsvare: leveringstid ca 8 virkedager.
91156137100
LIST CABRIO 78-94
525,-
420,-
eks.mva
Kjøp
Klikk og hent
Bestillingsvare: leveringstid ca 8 virkedager.
91156124401
LIST CAB FREMRE 78-94
450,-
360,-
eks.mva
Kjøp
Klikk og hent
på lager (1 stk)
91156118700
GUMMILIST Cabriolet , v side 84-94 modell
255,-
204,-
eks.mva
Kjøp
Klikk og hent
Bestillingsvare: leveringstid ca 8 virkedager.
91156102602
GUMMILIST B-STOLPE CAB 78-85 HØYRE
1.650,-
1.320,-
eks.mva
Kjøp
Klikk og hent
Bestillingsvare: leveringstid ca 8 virkedager.
91156102502
GUMMILIST B-STOLPE CAB 78-85 VENSTRE
1.650,-
1.320,-
eks.mva
Kjøp
Klikk og hent
på lager (5+)
91155943500
SPACER
40,-
32,-
eks.mva
Kjøp
Klikk og hent
på lager (5+)
91155915101
BASE
25,-
20,-
eks.mva
Kjøp
Klikk og hent
Bestillingsvare: leveringstid ca 8 virkedager.
9115590370070C
LOGO "CARRERA" MOTORLOKK 911/964
690,-
552,-
eks.mva
Kjøp
Klikk og hent
Bestillingsvare: leveringstid ca 8 virkedager.
91155630LTABLKNMA
TEPPESETT 911 TARGA LHD UTEN AC
10.900,-
8.720,-
eks.mva
Kjøp
Klikk og hent
på lager (1 stk)
9115554220001C
DEKSEL DØR TOPP 911/964 /H.SIDE til 1 skrue
69,-
55,-
eks.mva
Kjøp
Klikk og hent
på lager (1 stk)
9115554210001C
DEKSEL,DØR TOPP 911/964 V SIDE
64,-
51,-
eks.mva
Kjøp
Klikk og hent
Bestillingsvare: leveringstid ca 10 virkedager.
91155505501
TAKTREKK 911/964 UTEN SOLTAK, HVIT
1.495,-
1.196,-
eks.mva
Kjøp
Klikk og hent
Ikke på lager (bestillingsvare)
9115525920001C
DEKSEL DASHBOARD PASSASJERSIDE 911/964/993
60,-
48,-
eks.mva
Kjøp
Klikk og hent
på lager (1 stk)
91155251900
ANSLAG,KONSOLL
40,-
32,-
eks.mva
Kjøp
Klikk og hent
Ikke på lager (bestillingsvare)
91155246302
DEKSEL STEREO DELITE 911/912 74-89 mod
392,-
314,-
eks.mva
Kjøp
Klikk og hent
på lager (1 stk)
91155243602
RADIO DELITE deksel 911 74-
300,-
240,-
eks.mva
Kjøp
Klikk og hent
Bestillingsvare: leveringstid ca 8 virkedager.
91155106344
PEDAL PLATE i forpresset 74-89 TARGA/ & CAB , obs obs PASSER IKKE COUPE
2.775,-
2.220,-
eks.mva
Kjøp
Klikk og hent
Viser
24
av
8187
produkter
«
Previous
Side
305
av
342
»
Next
Med forbehold om feil i bilde- / videomateriell / tekniske spesifikasjoner / priser.
Cookie-innstillinger
Ok
Oppdaterer handlekurven...
Handlekurven er oppdatert.
Velg årstall
×
Velg
Hendvendelsen gjelder:
Deres navn
Telefon*
Epost*
Postnummer
Epost eller telefonnr må oppgis for at vi skal kunne ta kontakt.
Kommentar
Henvendelsen er sendt, og vi vil kontakte deg.
Det oppstod en feil og skjemaet ble ikke sendt. Vennligst prøv igjen senere eller ta kontakt med kundeservice.